(Laatste update 13 juni 2025)
ATX PSU Schema’s en diagrammen

- atx200.pdf 86.39 KB
- ATX PS-300W PS300W PS 300
- 300W ATX powersupply
- 300W ATX PM30006-00 SMPS ICs: SG6931, SG6515,SG5701
- ATX-300P4-PFC.pdf 32.64 KB
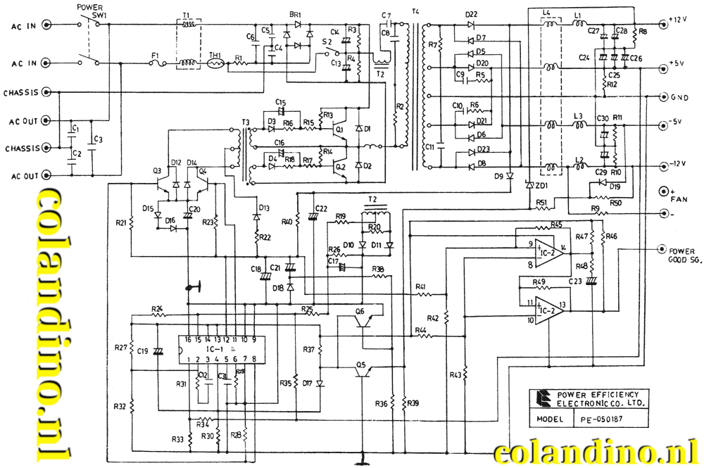
- captruoc_.pdf 494.12 KB
- CIRCUIT-DIAGRAM.pdf 120.26 KB
- codegen_250xa1_cg-07a_.pdf 71.47 KB
- CODEGEN_ATX.pdf 856.52 KB
- codegen_cg-13c.pdf 18.55 KB
- colors_it_330u_sg6105.pdf 330.71 KB
- DEZH_BEZ_OPTRONA_SG1605.pdf 24.95 KB
- Cougar CMX850 HEC 850TG 5LX M .PDF
- FSP300-60PFN (12V)
- Half Bridge ATX 300W SMPS ICs: SG6105
- Codecom 300Watt atx schema
- TPS SERIES SCHEMA & Diagram .PDF
- linkworld_LPJ2-18.pdf 34.41 KB
- MaxpowerPX-300W.pdf 59.25 KB
- Power_Master_FA_5_2_v3-2.pdf 132.97 KB
- Power_Master_LP-8_AP5E.pdf 133.17 KB
- SevenTeam_ST-200HRK.pdf 145.08 KB
- SHIDO_ATX-250.pdf 37.76 KB
- DPS260EP_1.pdf 218.61 KB
- DPS260EP_2.pdf 132.51 KB
- DTK_PTP_2038.pdf 27.06 KB
- FSP145-60SP.pdf 64.43 KB
- IP-P350AJ2-0.pdf 283.34 KB
- IW-ISP300AX.pdf 176.05 KB
- iwp300a2.pdf 34.13 KB
- JNC.pdf JNC.pdf 120.26 KB
- JNC_LC-B250ATX.pdf 32.10 KB
- KME_pm-230.pdf 37.09 KB




Ondersteun mijn website’s, kanaal en inhoud en mijn voortdurende inspanningen via Patreon:
https://patreon.com/Colani
Suc6
Terry van Erp






